ZhiTalent Cloud
技能服务
数据服务
人才市场
登录
成为专家
成为专家
消息
4
我的首页
我的推广
我的收藏
账号密码
更换头像
退出登录
☰
技能服务
数据服务
人才市场
登录
成为专家
我的首页
我的推广
消息
账号密码
成为专家
退出登录
我可以一个产品的cad制图,或是三维转二维,以及3dUG造型
云
云队友-kvNOGaIP
5(0条评价)
50% 回复率
服务详情
技能详情
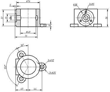
各版本包含的工作: 1、标注尺寸,设计改样………….. 我的优势: 1、10多年工作经验 服务前需客户提供的信息: 1、产品或其他 图片 其他:日用品塑料制品,桌椅板凳,小家电,家居用品,汽车零件
各版本对比
基础版
图纸或文件
交付周期
1天
免费修改次数
1次
价格
¥500
操作
立即购买
交易保障
平台为双方提供实名认证、资金担保与纠纷协调,保障交易安全、公平、可追溯。
双方实名认证
平台资金担保
公平诚信保障
基础版
¥500
1
天交付
免费修改
1
次
服务交付物
图纸或文件
立即沟通
立即购买
选择头像
✕